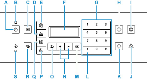
操作パネル

- A:電源ボタン
-
電源を入れる/切るときに押します。電源を入れるときは、原稿台カバーを閉じてください。
- B:電源ランプ
- 電源を入れると点滅した後、点灯します。
- C:メニューボタン
- コピー、スキャン、ファクスのメニューを表示するときに押します。
- D:スキャンボタン
- スキャンモードに切り替えます。
- E:コピーボタン
- コピーモードに切り替えます。
- F:液晶モニター
- メッセージやメニュー項目、動作状況などが表示されます。
- G:テンキー
- コピー部数を入力するときや、ファクス/電話番号や文字を入力するときに使用します。
- H:モノクロボタン
- モノクロでコピー、スキャン、ファクス送信するときなどに押します。
- I:ストップボタン
- 印刷中やコピー中、スキャン中、ファクス送受信中に押すと、それぞれの動作を中止します。
- J:エラーランプ
- エラーが発生したときに点灯または点滅します。
- K:カラーボタン
- カラーでコピー、スキャン、ファクス送信するときなどに押します。
- L:トーンボタン
- ダイヤル回線で使用している場合に、一時的にプッシュ信号に切り替えるときに押します。
- M:OKボタン
- メニュー項目や設定項目を確定するときに押します。また、エラーを解除するときや、ADF(自動原稿給紙装置)の原稿を排出するときも押します。
- N:
ボタン -
設定項目などを選ぶときに使用します。また、文字を入力するときにも使用します。
- O:戻るボタン
- 前の画面に戻ります。
- P:セットアップボタン
- セットアップメニューを表示し、プリンターの設定やメンテナンスを行うことができます。また、文字の入力モードを選ぶときにも使用します。
- Q:ファクスボタン
- ファクスモードに切り替えます。
- R:ワイヤレスコネクトボタン
- ボタンを長押しすると、Wi-Fiルーターを操作せず、各種機器(スマートフォンなど)から直接プリンターに、Wi-Fiルーターの情報を設定できます。
- S:ファクスメモリーランプ
- プリンターのメモリーに受信原稿や未送信原稿があるときに点灯します。

